Performance Roof Hook (35 6 Stainless Steel | Standard | Hook Height 45mm)

Delivery time approx. 3-5 working days

VAT excluded & plus shipping costs

Reinforced standard roof hook

Bracket thickness 35×6 mm

Personal pick-up in Wuppertal possible
Mengenvorteil 6,99  / Stück ab 20 Stück

4,59  / piece

from Price per unit
1 piece 8,29 
20 piece 6,99 
100 piece 5,35 
200 piece 5,25 
500 piece 4,89 
2500 piece 4,59 
Categories: , ,

Photovoltaik AGBs:

  1. Der Null-Umsatzsteuersatz gemäß Abschnitt 12, Absatz 3 UstG gilt ab 01.01.2023 für Solarmodule sowie für wesentliche Komponenten zum Betrieb einer Photovoltaikanlage, einschließlich des Speichers, zur Aufbewahrung des mit den Solarmodulen erzeugten Stroms. Dies gilt nur für Photovoltaikanlagenbetreiber, wenn die Photovoltaikanlage in oder in der Nähe von Privatwohnungen, Wohnungen sowie öffentlichen und anderen Gebäuden, die für Gemeinnützigkeit genutzt werden, installiert wird. Die maximale Leistung der Anlage darf 30 kW (peak) gemäß Marktstammdatenregister nicht überschreiten.
  2. Der Käufer bestätigt durch Abschluss des Kaufvertrags mit einem Null-Umsatzsteuersatz, dass er als Photovoltaikanlagenbetreiber kauft und die in Absatz (1) beschriebenen Voraussetzungen erfüllt. Die Eintragung in das Marktstammdatenregister unter dem Kundennamen muss innerhalb von 6 Monaten nach dem Kauf erfolgen. andernfalls behält sich BOGA das Recht vor, die gesetzliche Mehrwertsteuer zu fordern.

Description

Technical details and application:

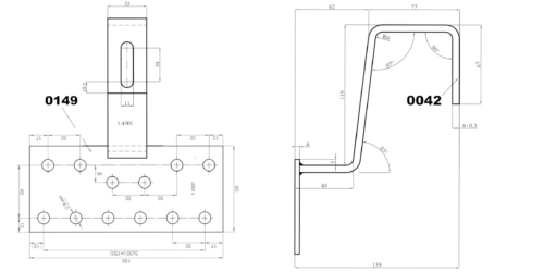
Robust standard roof hook with a reinforced hook made of 35×6 mm material, which can generally be used in snow and wind load zones 1-2a.

Product details:

Mounting system: Profiness Performance Series

Base plate: 180x80x4 mm

Bar thickness: 35×6 mm

Buckle height: 45 mm

Frame length: approx. 11 cm

Material: Hook made of stainless steel 1.4301 | Base plate made of stainless steel 1.4016

Minimum order quantity: 1 piece

Packaging unit: 20 pieces per carton

Weight: 0.87 kg per piece

Free advice
for your PV system





    Individual and free construction planning